未提交视频
商品分类
站内搜索
企业信息
◆不锈钢材料(B9D);合金钢材料,镀镍(H9D);双剪梁结构,胶密,压向承载。
◆防护等级IP67
◆适用于电子汽车衡、轨道衡、料斗秤及各类电子称重设备。
推荐选择型号:
xxklb | C3 | B9D-C3-xxk-9B |
xxklb | C3/C4/C5/A5M/B10M | H9D-xx-xxk-9B |
1.8t-7.5t(4klb-15klb)通过德国PTB C4级认证 | ||
技术指标
额定载荷 | t | 1/1.5/2/2.5/4/5/10/15/20/25/35/50/75 | |||
精度 | C3 | C4 | A5M | B10M | |
| 认证 | OIML R60 C4 | III 5000多只 | III 10000多只 | ||
最大检定分度数 | n max | 3000 | 4000 | 5000 | 10000 |
最小检定分度值 | v min | Emax/10000 | Emax/14000 | Emax/15000 | Emax/10000 |
综合误差 | (%FS) | ≤±0.020 | ≤±0.018 | ≤±0.026 | ≤±0.050 |
蠕变 | (%FS/30min) | ≤±0.016 | ≤±0.012 | ≤±0.017 | ≤±0.040 |
温度对输出灵敏度的影响 | (%FS/10℃) | ≤±0.011 | ≤±0.009 | ≤±0.013 | ≤±0.040 |
温度对零点输出的影响 | (%FS/10℃) | ≤±0.015 | ≤±0.010 | ≤±0.014 | ≤±0.020 |
输出灵敏度 | (mv/v) | 3.0±0.008 | |||
输入阻抗 | (Ω) | 700±7 | |||
输出阻抗 | (Ω) | 703±4 | |||
绝缘阻抗 | (MΩ) | ≥5000(50VDC) | |||
零点输出 | (%FS) | ≤±1.0 | |||
温度补偿范围 | (℃) | -10~+40 | |||
允许使用温度范围 | (℃) | -35~+70 | |||
推荐激励电压 | (V) | 5~12(DC) | |||
最大激励电压 | (V) | 18(DC) | |||
安全过载范围 | (%FS) | 150 | |||
极限过载范围 | (%FS) | 300 | |||
| ATEX等级(可选) | II 1G Ex ia II 1C T4 | II 1D Ex iaD20 T73℃ | II 3G Ex nL II C T4 | ||
| 注:B9D无OIML/NTEP认证. | |||||
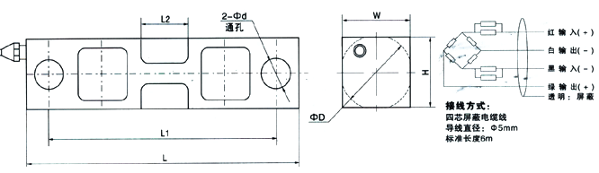
外形尺寸mm(inch)
量程(Klb) | L | L1 | L2 | D | d | H | W |
1~5 | 190.5(7.5) | 158.75(6.25) | 30.48(1.2) | 31.5(1.24) | 12.7(0.5) | 31(1.22) | 31(1.22) |
10~35 | 222.25(8.75) | 190.5(7.5) | 41.15(1.62) | 50.8(2.0) | 20.6(0.81) | 49.2(1.94) | 36.5(1.44) |
50~75 | 342.9(13.5) | 292.1(11.5) | 82.55(3.25) | 76(2.99) | 33.3(1.31) | 74.7(2.94) | 62(2.44) |
关于产品极限词失效协议
1. 本平台支持关于《新广告法》实施的“极限化”用语“违禁词”的规定,即日起凡是本店产品详情页面以及产品标题等含有极限化“违禁词”介绍的文字说明一律立即失效,不作为商品介绍描述的依据!
2. 本平台已经尽量规避“违禁词”,如果还有极限化用语,在此申明全部失效,凡是顾客购买本店产品下单付款,均表示默认此条约,不作为商品介绍描述的依据!
3. 如有疑问请联系本店进行更改或解答,谢谢亲的配合!



