未提交视频
商品分类
站内搜索
企业信息
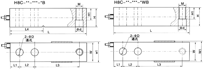
额定载荷 t 0. 5/1/1.5/2/2.5/3/5/10 Klb 1/1.5/2/2.5/3/4/5/7.5/10/20 精度 C2 C3 C4 A5M 认证 OIML OIML OIML III 5000 IIIL 10000 最大检定分度数 n max 2000 3000 4000 5000 5000 10000 最小检定分度值 v min Emax/5000 Emax/10000 Emax/14000 Emax/18000 Emax/15000 Emax/10000 综合误差 (%FS) ≤±0.030 ≤±0.020 ≤±0.018 ≤±0.010 ≤±0.026 ≤±0.050 蠕变 (%FS/30min) ≤±0.024 ≤±0.016 ≤±0.012 ≤±0.010 ≤±0.017 ≤±0.040 温度对输出灵敏度的影响 (%FS/10℃) ≤±0.017 ≤±0.011 ≤±0.009 ≤±0.008 ≤±0.013 温度对零点输出的影响 (%FS/10℃) ≤±0.023 ≤±0.015 ≤±0.010 ≤±0.007 ≤±0.014 ≤±0.020 输出灵敏度 (mv/v) 3.0±0.003 2.0±0.002 输入阻抗 (Ω) 350±3.5 输出阻抗 (Ω) 351±2 绝缘阻抗 (MΩ) ≥5000(100VDC) 零点输出 (%FS) ±1.0 温度补偿范围 (℃) -10~+40 允许使用温度范围 (℃) -35~+70 推荐激励电压 (V) 5~12(DC) 最大激励电压 (V) 18(DC) 安全过载范围 (%FS) 150 极限过载范围 (%FS) 300 外形尺寸mm(inch) 量程 L L1 L2 L3 L4 H H1 W W1 D d M 1t-2t 130 15.8 25.4 76.2 54.2 31.8 15.8 31.8 34 13.5 13.5 M12×1.75 1K-4K 130 15.8 25.4 76.2 54.2 31.8 15.8 31.8 34 13.5 13.5 11/2-20UNF 5KSE 130 15.8 25.4 76.2 54.2 31.8 15.8 31.8 34 13.5 13.5 1/2-21UNF 2.5~5t 171.5 19.1 38.1 95.3 77.2 38.1 18.8 38.1 40 19.8 19.8 M18×1.5 5K~10K 171.5 19.1 38.1 95.3 77.2 38.1 18.8 38.1 40 19.8 19.8 3/4-16UNF 10t 222.3 25.4 50.8 120.7 101.6 50.8 25.4 50.8 52.4 26.9 26 M24×2 20K 222.3 25.4 50.8 120.7 101.6 50.8 25.4 50.8 52.4 26.9 26 1-12UNF L L1 L2 L3 L4 H H1 W W1 D d M 130 15.8 25.4 76.2 54.2 31.8 15.8 31.8 34 13.5 13.5 M12×1.75◆H8C型称重传感器可满足1Kb~20Klb;0.5t~10t量程范围内多种精度等级的测量。
◆合金钢材料,内部灌胶密封,防油、防水、耐腐蚀,可适用于各种环境。
◆单剪切梁结构设计,安装使用方便灵活。
◆适用于电子平台秤、料斗秤等各类电子称重设备。
◆安全防爆型产品,可用于恶劣环境及危险性场合。特 性
◆量程:1Kb~20Klb;0.5t~10t
◆高精度
◆合金钢材料
◆体积小巧,外型美观
技术指标C5
R60 C3
R60 C4
R60 C5
多只
多只
(5.12)
(0.62)
(1.0)
(3.0)
(2.13)
(1.25)
(0.62)
(1.25)
(1.34)
(0.53)
(0.53)
(5.12)
(0.62)
(1.0)
(3.0)
(2.13)
(1.25)
(0.62)
(1.25)
(1.34)
(0.53)
(0.53)
(5.12)
(0.62)
(1.0)
(3.0)
(2.13)
(1.25)
(0.62)
(1.25)
(1.34)
(0.53)
(0.53)
(6.75)
(0.75)
(1.5)
(3.75)
(3.04)
(1.5)
(0.74)
(1.5)
(1.57)
(0.78)
(0.78)
(6.75)
(0.75)
(1.5)
(3.75)
(3.04)
(1.5)
(0.74)
(1.5)
(1.57)
(0.78)
(0.78)
(8.75)
(1.0)
(2.0)
(4.75)
(4)
(2.0)
(1.0)
(2.0)
(2.06)
(1.06)
(1.02)
(8.75)
(1.0)
(2.0)
(4.75)
(4)
(2.0)
(1.0)
(2.0)
(2.06)
(1.06)
(1.02)
量程 500kg
(5.12)
(0.62)
(1.0)
(3.0)
(2.13)
(1.25)
(0.62)
(1.25)
(1.34)
(0.53)
(0.53)
系统示意图
关于产品极限词失效协议
1. 本平台支持关于《新广告法》实施的“极限化”用语“违禁词”的规定,即日起凡是本店产品详情页面以及产品标题等含有极限化“违禁词”介绍的文字说明一律立即失效,不作为商品介绍描述的依据!
2. 本平台已经尽量规避“违禁词”,如果还有极限化用语,在此申明全部失效,凡是顾客购买本店产品下单付款,均表示默认此条约,不作为商品介绍描述的依据!
3. 如有疑问请联系本店进行更改或解答,谢谢亲的配合!











