• 我的购物车
  • 签到
  • 商品
    • 商品
    • 企业
    • 文章

    未提交视频

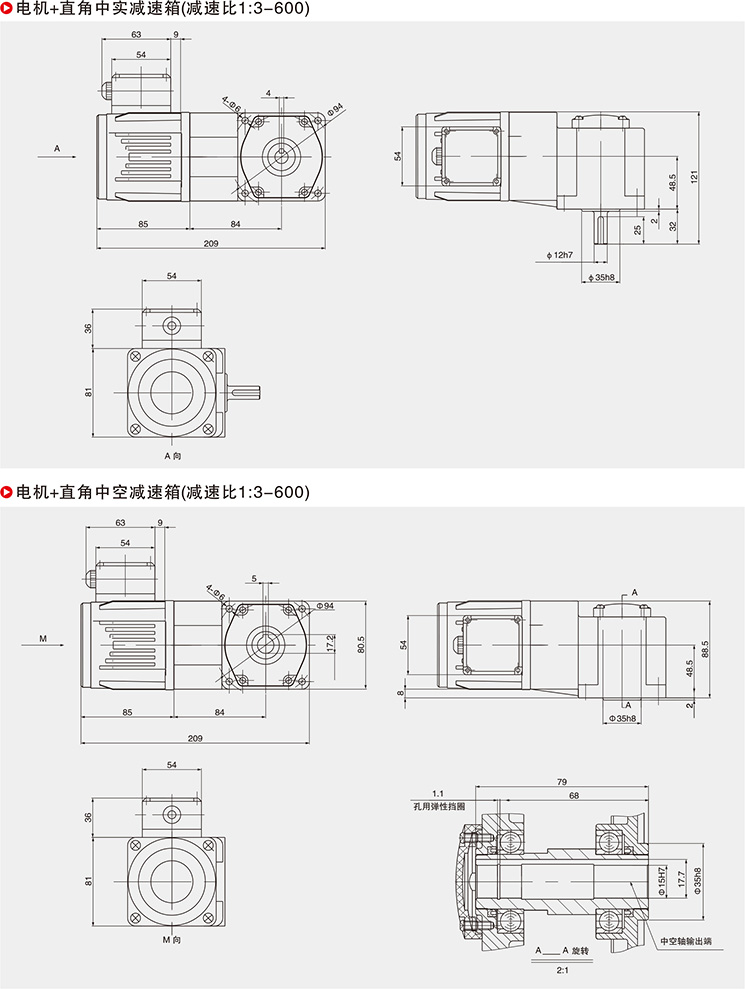
    放大观看

    企业名称

    济南市天桥区海峰传动设备经销处

    济南市天桥区海峰传动设备经销处企业logo|长街网制造业商圈

    铁质徽章

    站内搜索

    企业信息

    负 责 人: 肖海峰 发站内信

    等      级: 制造业园区

    域      名: hfcd.07cj.com

    门 牌 号: C00059

    产品数量: 26

    所在地区: 中国 山东省 济南

    创站时间: 2015-08-28

    详细地址: 济南市天桥区历山北路198号国际五金机电城E2区一层607号

    济南市天桥区海峰传动设备经销处-二维码

    浏览历史

    • 减速机
    • pvc管2
    • 45#无缝钢管
    • pvc管件
    • 16#无缝钢管
    • pvc管件1
    • 玻璃钢电力电缆保护管
    • pvc管3
    • pvc管5